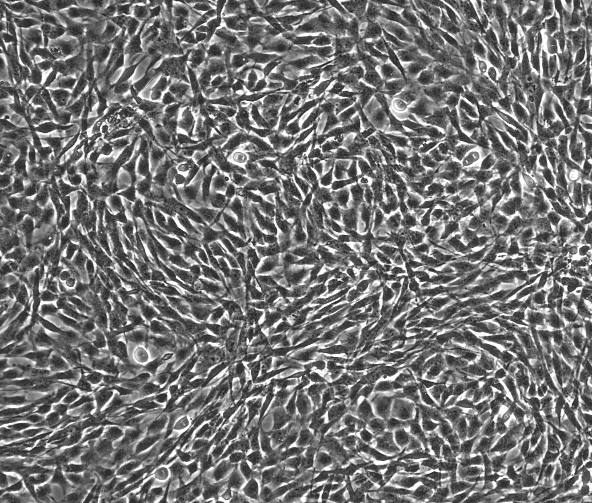
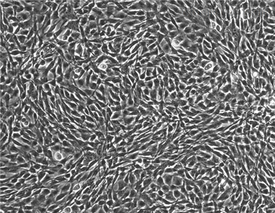
产品名称:HSkMM;人骨骼肌成肌细胞(原代细胞)
ScienCell:3520
5×10^5个细胞/瓶
来自ScienCell研究实验室的HSkMM从胸带的人体肌肉中分离出来。HSkMM在*代冷冻保存并冷冻。每个小瓶含有>5×10^5个细胞,1ml体积。HSkMM的特征在于具有对肌球蛋白,肌动蛋白和肌动蛋白特异性的抗体的免疫荧光。HSkMM对HIV-1,HBV,HCV,支原体,细菌,酵母和真菌均为阴性。在ScienCell研究实验室提供的条件下,HSkMM保证进一步扩大15次人口倍增。
该产品仅供研究使用。它未被批准用于人类,动物或体外诊断程序。
经检测无支原体、细菌、酵母和真菌污染
骨骼肌通过称为成肌细胞的单核肌原性前体细胞的增殖而再生,终融合并结合到多核肌管中。然后肌管成熟为肌纤维。该过程发生在肌肉的胚胎组织发生期间,响应于损伤的出生后肌肉再生期间,或者在诸如杜兴肌营养不良症的疾病中。成肌细胞的融合特异于骨骼肌和不形成肌纤维的成肌细胞分化成卫星细胞。骨骼肌成肌细胞表达FGF受体[1],并且在培养的成肌细胞分化期间IGF表达增加[2,3]。人骨骼肌成肌细胞培养物是用于研究细胞发育和分化,胰岛素代谢和组织修复的方便的体外模型。
小鼠肾集合管细胞(SV40转化) |
狗肾细胞隆突型 |
绿色荧光蛋白标记小鼠前胃癌细胞 |
小鼠肾足细胞 |
小鼠子宫颈癌细胞 |
晅科生物为研究界提供各种高质量的正常人和动物细胞,细胞培养基和试剂,基因分析工具,细胞衍生的分子生物学产品,基于细胞的检测试剂盒和干细胞产品。
客户在细胞培养过程中,有任何技术问题可以联系售后服务
参考:
[1](1986)鉴定Swiss 3T3细胞和小鼠骨骼肌成肌细胞的成纤维细胞生长因子受体。生物化学25(12):3487-92。
[2](1989)肌肉发育中的胰岛素样生长因子。J Biol Chem 264:13810-13817。
[3](1993)在成肌细胞分化过程中转录激活胰岛素样生长因子-II基因。Mol Endocrinol 7:291-302。
晅科生物致力于为国内科研用户提供*质的产品,完善的服务。帮助您实验顺利。视天气状况和运输距离远近,公司与客户协商
1、从正常人、病人、小鼠、大鼠、兔、猪、牛等等组织中对原代细胞进行分离、培养、鉴定:我们将以客户要求为标准,提供多种属如正常人、病人、小鼠、大鼠、兔、猪、牛、其它动物原代细胞的分离、培养、鉴定,并提供相应的文件、资料、数据和检测证书。对于人源性细胞,必要时,在许可的条件下,我们尽可能的满足客户所提供的要求。
2、从建立实验性疾病动物(小鼠、大鼠、兔)模型体内组织中对原代细胞进行分离、培养、鉴定: 我们将以客户要求,建立标准实验性疾病动物模型,或客户提供实验性疾病动物模型,对原代细胞进行分离、培养、鉴定,并提供相应的文件、资料、数据和检测证书。
3、NK、γδT、CD3AK、DC、CIK等特定免疫细胞的分离、诱导、表型鉴定、扩增和定向改造。
公司优势:
1)质量:我司提供的的细胞为世界ATCC和Sciencell
2)价格:价格实惠,量大从优,产品价格随时会变动,实时报价还请来电获取。
4)服务:提供完整的售前、售后和售中服务。售后到底
如需订购HSkMM;人骨骼肌成肌细胞(原代细胞),请联系我们。
此外公司还提供:
小鼠B淋巴细胞杂交瘤细胞 |
仓鼠/小鼠杂交瘤细胞 |
小鼠T淋巴细胞 |
大鼠骨髓瘤细胞 |
小鼠单核巨噬细胞 |